新乡市天瑞液压设备有限公司  
液压油滤芯咨询电话
 
管路过滤器
航空设备过滤器
国标过滤器
国标滤芯
水滤芯
互换进口滤芯
线隙滤芯
铁路,矿山设备滤芯
阀门接头
滤油机
新乡市天瑞液压设备有限公司

联系人:杨经理

电话:0373-2689818

手机:18637325980

Q Q: 1261620285 

邮箱:[email protected]

网址:www.tianruiyeya.com

地址:新乡市高新技术产业开发区二号创业园A区

您现在的位置 :首页 > 产品中心
RYL大流量燃油过滤器

一 性能与用途
该系列产品主要用于航空系统的试验器和发动机试车台的燃油供油系统中, 滤除燃油中的固体颗粒及胶状物质,有效控制工作介质的清洁度。                            
二 技术参数
工作压力:0-1.6 MPa  工作温度:-55℃--125℃
工作介质:燃油,RP-1、RP-2、RP-3 
过滤精度:1-100μm(根据客户要求选取)
压差报警压力:0.35±0.05 MPa
过滤材料:不锈钢特种网、不锈钢纤维烧结毡、复合玻璃纤维 
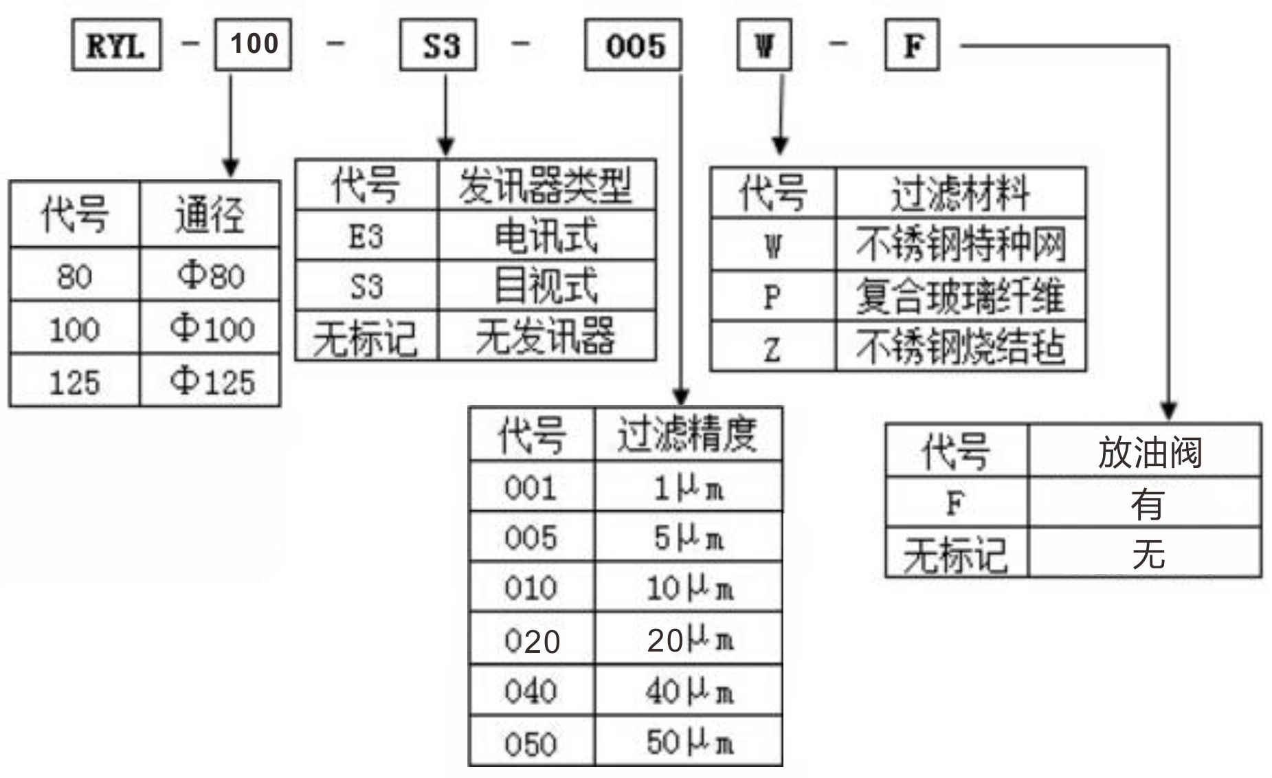
三 过滤器型号

 四 图示尺寸


上一张  RYL法兰式燃油过滤器 下一张  RYLA系列上抽芯燃油过滤器
Copyright © 新乡市天瑞液压设备有限公司 All Rights Reserved 【后台登陆
地址:新乡市高新技术产业开发区二号创业园A区  联系电话:18637325980 邮箱:[email protected] 液压油滤芯 备案号: